

热模拟试验机
1.仪器型号:Gleeble 3500
2.制造厂商:美国DSI
3.功能说明:
(1)热锻工艺中流变过程模拟与优化;热锻过程中力能参数模拟;焊接工艺与热影响区、电阻对接焊等各种工艺过程模拟。可以实现应变和应变速率的独立控制和编程。具有独特的控制温度均匀性以及据此控制试样内部温度梯度的能力。可进行快速压缩试验,快速多道次变形过程试验,热处理研究试验。
(2)大载荷挤压条件下的压缩扭转以及高效率扭转实验,在扭转过程中保持试样不间断加热,也可以进行扭转过程中的快速淬火实验。
可获得数据:时间、温度、载荷、位移、长度改变量、径向改变量、真应力、真应变等。
4.性能指标:
(1)最大的加热速率能达到10000℃/s(直径为6mm,长度为71mm,自由跨度为10mm的拉伸试样);
(2)无载荷的最大速率为1mm/s;
(3)最小的速率为0.001m/s;
(4)静载最大的力为10T;
(5)动载最大的力为0.98T;
(6)最大的行程为100mm;
(7)最高温度800℃。
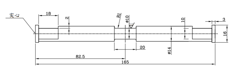
5.样品要求:

6.收费标准:
(1)压缩:
校内:100元/样品;校外:150元/样品
(2)扭转:
校内:400元/样品;校外:800元/样品